VN měnič kmitočtu Rockwell-Automation za speciální cenu
Vážení zákazníci,
Nabízíme Vámí k okamžitému odběru vysokonapěťový měnič kmitočtu ze svých skladových zásob.
Jedná se o nový, nerozbalený VN měnič kmitočtu PowerFlex7000. Vhodný pro motory do 700kW/ 81A, 6000/6600V, od renomovaného světového výrobce Allen-Bradley (Rockwell Automation).
Měnič může být použit s novým , ale i stávajícím VN motorem. Měnič je k odebrání v našem skladu v Kolíně.
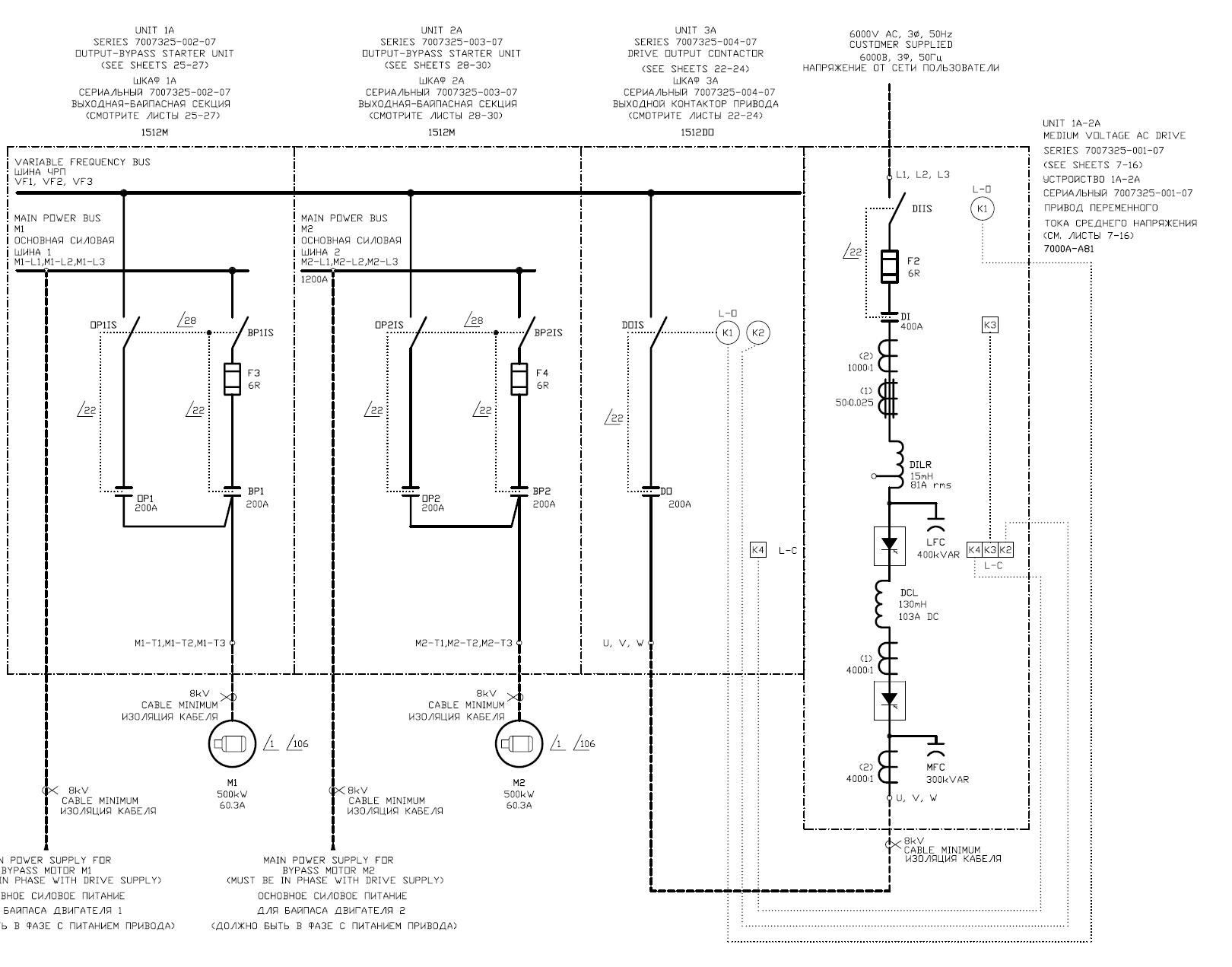
Základní specifikace:
položka 1: 1ks VN měničě kmitočtu PowerFlex7000 81A, 6600V, povolené přetížení 110% po dobu 1minuty s opakováním po 10ti minutách. Měnič je možno připojit přímo k síti 6kV a obsahuje vstupní sekci s výkonovými pojistkami, vakuovým stykačem a odpojovačem/zemničem.
položka 2: 1ks výstupního rozvaděče "drive output" 1512DO
položka 3: 1ks rozvaděče pro bypass pro jeden motor 1512M
položka 4: 1ks rozvaděče pro bypass pro jeden motor 1512M
Principiální blokové schéma:

Rozměry:
Položka 1 PowerFlex 7000 viz. přiložený soubor 7007325-001-07D_00_02.pdf
Položky 2,3,4 1512M, 1512DO viz. přiložený soubor 7007325-002-07D_00_04.pdf
Ceny:
DDP Kolin, Czech republic:
Položka 1 1pc. PowerFlex7000 110 000 EUR
Položka 2 1pc. 1512DO 7 000 EUR
Položka 3 1pc. 1512M 13 000 EUR
Položka 4 1pc. 1512M 13 000 EUR
Položky lze koupit jako uvedenou sestavu pro dva motory (vhodné například pro čerpadla) nebo jednotlivě.
K uvedenému zboží nabízíme zcela exkluzivně kompletní poradenství a uvedení do provozu (platíte jen náklady spojené s ubytováním pracovníků, hodinové sazby jsou ZDARMA).
Na uvedené zboží poskytujeme záruku dle obch. zákoníku.
Jsme schopni poskytnout záruční i pozáruční servis našimi vyškolenými pracovníky. Naše firma disponuje dvěma vyškolenými techniky certifikovanými výrobcem Rockwell Automation, Cambridge, Kanada.
V případě jakýchkoliv dotazů neváhejte kontaktovat ředitele divize pana Vladimíra Krafta, tel. 321 579 060, mob. 724 353 140, vkraft@spel.cz
Přílohy:
| 000A-TD200B-EN-P-NOV04.pdf | 7000-FA001A-EN-E-MAY04.pdf | |||
| 7000-WP001A-EN-E-NOV06, D2D.pdf | 7007325-001-07D_00_02.pdf | |||
| 7007325-001-07E_00_03.pdf | 7007325-002-07D_00_04.pdf |
